288.-1-86.21 * 38 Buckbee Rd

Please Notice:

Hide All | Show All

Parcel Information:
Parcel Location Acres Property Class School DistrictWard
288.-1-86.21 38 Buckbee Rd 5.6 210 - 1 Family Res Lake George Csd Ward 1

Owner Information:
Owner Owner Address P.O. Box Owner Address Line 3
Courtney B Richichi 38 Buckbee Rd Queensbury NY 12804

2025 Assessment Values: (Previous Assessments)
Parcel Assessed Land Value Assessed Total ValueUniform % Full Market Value
288.-1-86.21 107,900.00 107,900.00 90.00% 119,900.00

Images:

Image Date: 2/5/2026

Image Date: 3/29/2021

Image Date: 3/29/2021

Image Date: 2/6/2026

Sales Information:
Sale Date Sale Price Net Sale Price Book Page Sale Type Cond. Code Arms Len. Land Value TOS Tot. Value TOS Prior Owner
09-18-24210,000.00210,000.00698286Land OnlyNoneYes107,900.00107,900.00Miller, Nelson L

Site Information:
Site # Nbhd Code Sewer Water Utilities Site Desire Nbhd Type Nbhd Rating Road Type Entry Type Zoning Code
1 118-W Uplands,LowlaPrivatePrivateElectricTypicalSuburbanAverageImprovedNo entry RR-5A

Land Information:
Site # Land # Type Front Depth Acres Sq Ft
1 1 01-Primary 200 200 0 0
1 3 04-Residual 0 0 4.68 0

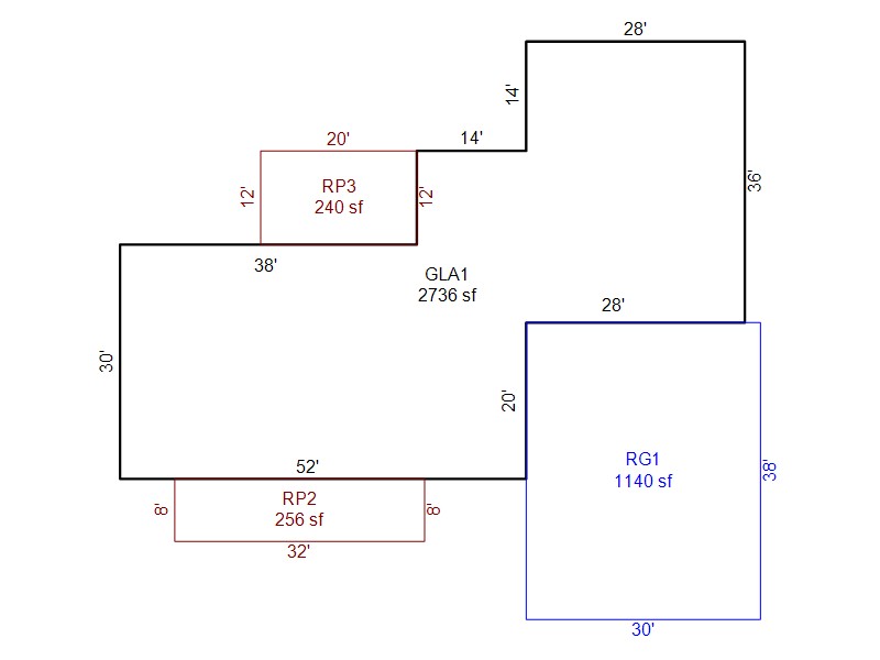
Residential Building Information:
Site # Bldg Style # Stories Ext Wall Mat Yr Built # Kit. # Baths # 1/2 Baths # Bedrm # Firepl
1Ranch 1Alum/vinyl 2025 1 4 0 3 1
Site # Heat Type Fuel Type Central Air Bsmt Type Overall Cond Constr Grade SFLA
1Hot AirGasYesFullGoodGood 2736

Commercial Building Information:

Improvements Information:
Site # Struct Code Dim 1Dim 2SQ FT # Constr Grade Overall CondYr Built
1 RG1-Gar-1.0 att 30 38 0 0GoodNormal 2025
1 RP2-Porch-coverd 8 32 0 0GoodGood 2025
1 RP3-Porch-screen 12 20 0 0GoodGood 2025

Special District Information:
Special District Units Taxable
EM001-Emergency medical 0 671000
FP007-Fire protection 0 671000
LB001-Crandall library dst 0 671000

Exemption Information:
Permit Information:
Permit Number Permit Date Permit Use Cost Estimate
2025-0452 08-29-25 SFD w/fp & full basmnt & 3car grg 700,000.00

The information in the RPS database is maintained by the Town of Queensbury Assessors Office


The information provided on this website is for GENERAL REFERENCE PURPOSES ONLY and should not be relied upon in lieu of referring to officially adopted Town Codes, Local Laws or other documents available in Town Hall.

Top